GT SUPERCHARGER
HKS GT SUPERCHARGER SPECIFICATION
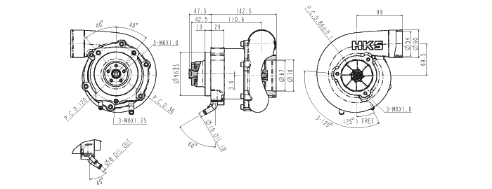
GTS4015HP
| MODEL | MAX IMPELLER SPEED |
MAX PRESSURE RATIO |
MAX FLOW |
POWER RANGE |
DRIVE RATIO |
UNIT WEIGHT |
| rpm | - | kg/s | ps | - | kg | |
| GTS4015HP | 110,000 | 3.0 | 0.17 | 100~150 | 9.875 | 3.5 |

GTS8555
| MODEL | MAX IMPELLER SPEED |
MAX PRESSURE RATIO |
MAX FLOW |
POWER RANGE |
DRIVE RATIO |
UNIT WEIGHT |
| rpm | - | kg/s | ps | - | kg | |
| GTS8555 | 100,000 | 2.6 | 0.59 | 300~550 | 9.368 | 5.3 |


